
同轴平行光源
产品概述
大功率高亮LED光源发出的散射光经特殊透镜模组、光学玻璃后,形成平行光。其光线能以同样的角
度到达任何物体的表面,特别适合于光洁平面的缺陷检测、激光雕刻识别等。
应用范围:
*检测CD、DVD及蓝光光碟表面污点、划痕、
污迹等
*检测反光平面上的划痕
*检测玻璃上的微小气泡
*激光雕刻字符识别
*苹果ipod、ipad及iphone等表面轻微划痕等
| 序号 | 型号 | 颜色 | 功率(W) | 尺寸(mm) |
| W/G/B/R/UV/IR | ||||
| 1 | HL-COPL30P-W/G/B/R/UV/IR | 白、绿、蓝、红、紫外、红外 | 3.4 | 发光区30×30 |
| 2 | HL-COPL40P-W/G/B/R/UV/IR | 白、绿、蓝、红、紫外、红外 | 3.4 | 发光区40×40 |
| 3 | HL-COPL60P-W/G/B/R/UV/IR | 白、绿、蓝、红、紫外、红外 | 3.4 | 发光区60×60 |
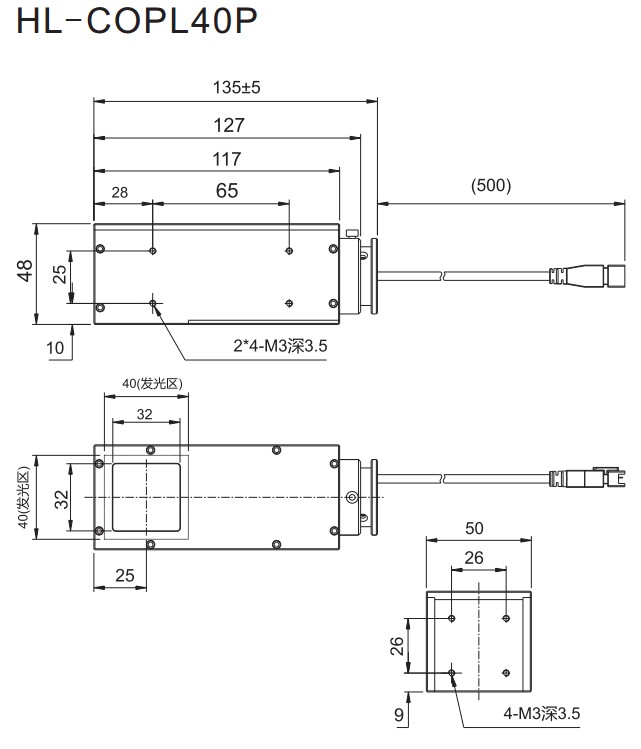
安装尺寸图