
如果我们的官网对您有帮助,建议收藏我们官网www.haoliauto.com方便日后翻阅!
在机器视觉光源系列当中,环形光源最为灵活多变。环形光有低角度环形光、高角度环形光等不同类型,例如0°环形光源、30°环形光源、45°环形光源、60°环形光源、90°环形光源等。环形光源的口径可以不同、 “角度”可以不同、光的颜色可以不同、安装高度也可以不同。客户可以按照实际情况选择,本公司除了标准光源可供选择外,还可以根据客户的要求定制。 苦恼视觉光源解决方案,不妨咨询我司。
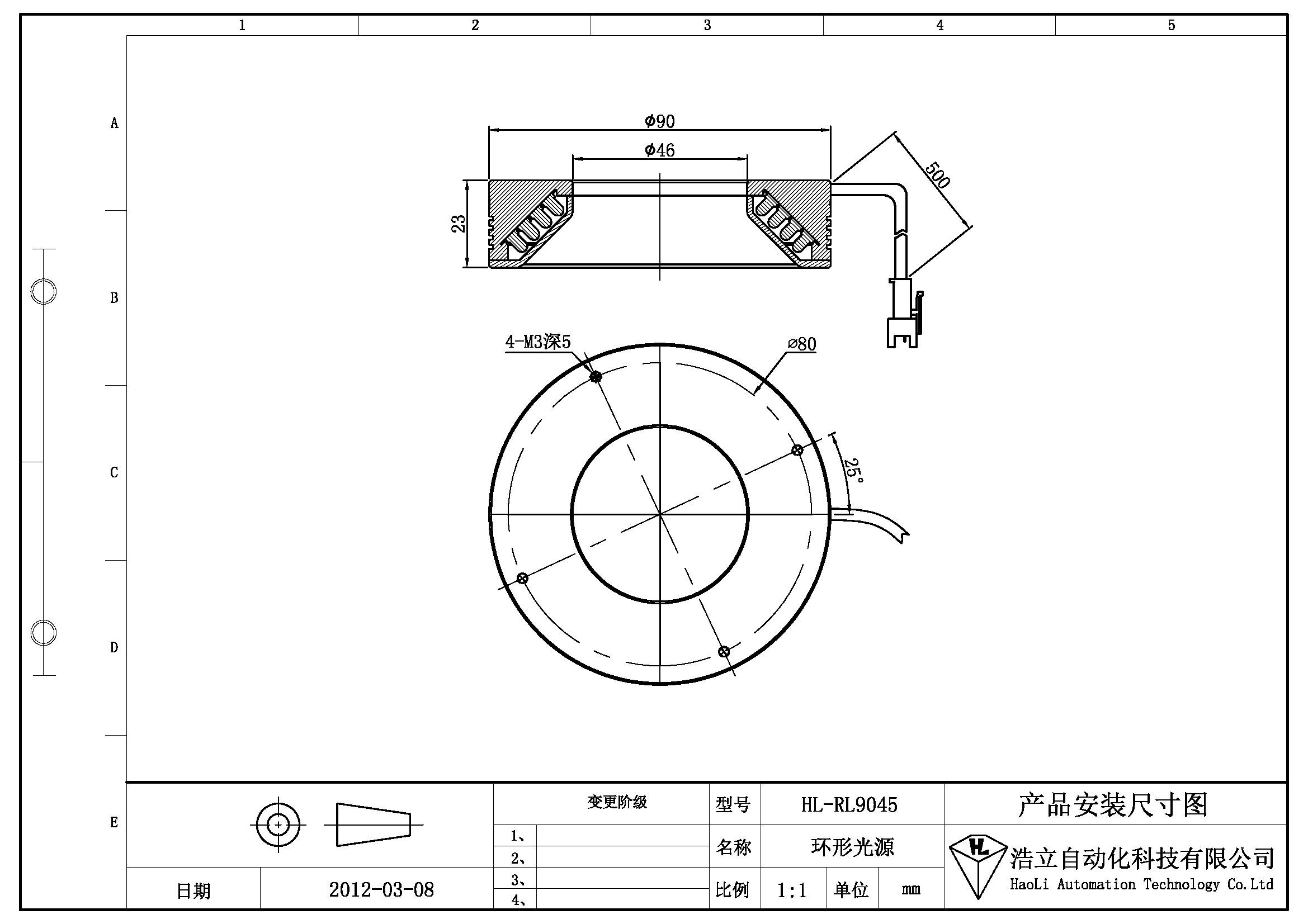
型号参数表
| 序号 | 型号 | 光线与水平面夹角 | 内径 (mm) | 电压(V) | 功率(W) | 亮度(LX) | 建议选配控制器 | ||||
| W/G/B/R | W/G/B | R | W | G | B | R | |||||
| 1 | HL-RL6000 | 0° | 30 | 24 | 2.0 | 1.5 | 42K | 37K | 3K | 5K | HL-APC2424K HL-APC2430K HL-APC2460C HL-DPC2430K HL-DPC2465D |
| 2 | HL-RL7500 | 46 | 24 | 2.0 | 1.5 | 41K | 35K | 2K | 4K | ||
| 3 | HL-RL9600 | 60 | 24 | 3.0 | 2.0 | 28K | 25K | 6K | 7K | ||
| 4 | HL-RL14600 | 104 | 24 | 4.5 | 3.0 | 8K | 7K | 1.5K | 13K | ||
| 5 | HL-RL15000 | 50 | 24 | 4.5 | 4.0 | 44K | 40K | 3K | 11K | ||
| 6 | HL-RL17200 | 130 | 24 | 5.5 | 3.5 | 46K | 41K | 4K | 12K | ||
| 7 | HL-RL21300 | 175 | 24 | 8.0 | 5.0 | 11K | 10K | 2K | 5K | ||
| 8 | HL-RL13220K | 20° | 96 | 24 | 13.0 | 8.0 | 77K | 68K | 9K | 35K | |
| 9 | HL-RL20820K | 162 | 24 | 17.5 | 14.0 | 33K | 30K | 3K | 15K | ||
| 10 | HL-RL24020 | 194 | 24 | 30.0 | 30.0 | 64K | 58K | 12K | 26k | ||
| 11 | HL-RL5030 | 30° | 25 | 24 | 2.5 | 1.5 | 102K | 92K | 18K | 45K | |
| 12 | HL-RL6030K | 22 | 24 | 3.5 | 2.5 | 156K | 140K | 16K | 62K | ||
| 13 | HL-RL7030 | 30 | 24 | 6.0 | 5.5 | 456K | 410K | 37 | 108K | ||
| 14 | HL-RL7430K | 40 | 24 | 4.5 | 3.0 | 120K | 108K | 14K | 50K | ||
| 15 | HL-RL9030K | 50 | 24 | 8.5 | 5.5 | 110K | 99K | 14K | 44K | ||
| 16 | HL-RL12030K | 80 | 24 | 12.0 | 8.0 | 75K | 67K | 8K | 33K | ||
| 17 | HL-RL15030K | 102 | 24 | 15.3 | 7.0 | 77K | 68K | 9K | 35K | ||
| 18 | HL-RL18030K | 132 | 24 | 31.0 | 19.0 | 84K | 75K | 9K | 26K | ||
| 19 | HL-RL24030 | 194 | 24 | 21.0 | 21.0 | 65K | 59K | 11K | 27k | ||
| 20 | HL-RL35030 | 300 | 24 | 42.0 | 25.5 | 89K | 80K | 16K | 35K | ||
| 21 | HL-RL5045 | 45° | 20 | 24 | 4.5 | 3.0 | 189K | 170K | 26K | 85K | |
| 22 | HL-RL9045K | 46 | 24 | 10.5 | 6.5 | 175K | 157K | 20K | 65K | ||
| 23 | HL-RL12045 | 60 | 24 | 25.0 | 25.0 | 165K | 149K | 14K | 76K | ||
| 24 | HL-RL14045 | 100 | 24 | 20.0 | 19.5 | 121K | 109K | 15K | 38K | ||
| 25 | HL-RL12050 | 50° | 80 | 24 | 15.5 | 10.0 | 110K | 99K | 11K | 52K | |
| 26 | HL-RL4860 | 60° | 26 | 24 | 3.5 | 2.5 | 170K | 152K | 18K | 63K | HL-APC2424K |
| 27 | HL-RL5060 | 22.5 | 24 | 3.0 | 2.5 | 140K | 126K | 19K | 65K | ||
| 28 | HL-RL5260K | 28 | 24 | 3.5 | 2.5 | 155K | 140K | 18K | 75K | ||
| 29 | HL-RL5460 | 23.5 | 24 | 3.5 | 3.0 | 195K | 175K | 35K | 78K | ||
| 30 | HL-RL6060K | 33.5 | 24 | 4.0 | 2.5 | 120K | 108K | 14K | 42K | ||
| 31 | HL-RL7460K | 35 | 24 | 6.5 | 4.5 | 135K | 121K | 15K | 66K | ||
| 32 | HL-RL12060K | 60 | 24 | 22.0 | 22.0 | 170K | 153K | 15K | 72K | HL-APC2430K HL-DPC2430K |
|
| 33 | HL-RL15060K | 110 | 24 | 13.0 | 7.8 | 150K | 153K | 16K | 70K | ||
| 34 | HL-RL18060K | 126 | 24 | 21.0 | 16.0 | 95K | 85K | 10K | 40K | ||
| 35 | HL-RL20860 | 155 | 24 | 22.0 | 13.0 | 80K | 72K | 10K | 33K | ||
| 36 | HL-RL4265K | 65° | 18 | 24 | 2.5 | 1.5 | 175K | 157K | 20K | 68K | HL-APC2424K |
| 37 | HL-RL9070K | 70° | 44 | 24 | 11.0 | 7.0 | 138K | 124K | 15K | 55K | HL-APC2430K HL-DPC2430K |
| 38 | HL-RL12070K | 65 | 24 | 14.5 | 10.5 | 110K | 99K | 14K | 50K | ||
| 39 | HL-RL3275 | 75° | 10 | 24 | 2 | 1.0 | 194K | 175K | 15K | 22K | HL-APC2424K |
| 40 | HL-RL6675 | 46 | 24 | 3.0 | 2.5 | 45K | 40K | 7K | 18K | ||
| 41 | HL-RL5480 | 80° | 26 | 24 | 3.5 | 2.0 | 158K | 142K | 4K | 64K | |
| 42 | HL-RL12080 | 65 | 24 | 14.0 | 12.0 | 112K | 102K | 16K | 55K | HL-APC2430K | |
| 43 | HL-RL4090 | 90° | 24 | 24 | 1.0 | 1.0 | 30K | 27K | 2K | 8K | HL-APC2424K |
| 44 | HL-RL5090 | 25 | 24 | 3.0 | 2.0 | 65K | 59K | 5K | 13K | ||
| 45 | HL-RL5390K | 28 | 24 | 3.0 | 2.5 | 80K | 72K | 6K | 14K | ||
| 46 | HL-RL5590 | 24 | 24 | 3.0 | 2.0 | 90K | 81K | 11K | 30K | ||
| 47 | HL-RL6090 | 30 | 24 | 4.0 | 4.0 | 85K | 77K | 10 | 44K | ||
| 48 | HL-RL7090 | 36 | 24 | 5.5 | 4.0 | 110K | 99K | 13K | 47K | ||
| 49 | HL-RL7390K | 36 | 24 | 6.5 | 4.5 | 135K | 121K | 18K | 50K | ||
| 50 | HL-RL9090 | 39 | 24 | 9.0 | 6.0 | 150K | 135K | 18K | 53K | ||
| 51 | HL-RL10090K | 40 | 24 | 12.0 | 8.0 | 175K | 157K | 18K | 76K | ||
| 52 | HL-RL12090K | 76 | 24 | 13.0 | 7.2 | 130K | 117K | 17K | 52K | HL-APC2430K | |
| 53 | HL-RL15090K | 40 | 24 | 33.0 | 15.0 | 133K | 118K | 19K | 54K | ||
| 54 | HL-RL18090K | 130 | 24 | 16.5 | 11.5 | 136K | 120K | 20K | 56K | ||





